
AUP – BPanel Mounted Speaker
![]()
![]()
- Although it is small in size, it makes a clear, high capacity sound
- A panel style buzzer and alarm made with 4 channels. Users can choose the tones based on the channel selection
- Clear and fine sound in 8 harmonies
- Users can control 5 types of melodies and 7 types of buzzers according to the selected combination
- Volume control is provided on the reverse side of the product
- Volume can be adjusted on the back of the product
- Max. 90dB
- Material : ABS
- Operating Temperature : -25℃ ~ 50℃
Ordering Information
Product specifications
- Audible tones can be adjusted using the DIP switch, which becomes visible after removing the sticker, and the external channel sockets
- Volume can be adjusted by lightly turning the dial with a flat head head screwdriver
◎ AUP-B Panel Mounted Speaker
| MODEL | Audible Option | Voltage | Current | Weight | |||
|---|---|---|---|---|---|---|---|
| Channel | Tone | Volume | |||||
| AUP-B | A1 | Melody(AM) Dip switches 2,3,4 on |
Turkish March | Max. 90dB | AC110V/220V compatible | 0.5(A) | 272g |
| A2 | Piano Sonatas | ||||||
| A3 | Home Sweet Home | ||||||
| A4 | Fur Elise | ||||||
| A1 | Buzzer(AB) Dip switches 1,2 on |
beep ~ beep ~ beep | DC12V/24V compatible | 1.2(A) | 184g | ||
| A2 | Ding Dong | ||||||
| A3 | beep-ee | ||||||
| A4 | beep beep beep beep | ||||||
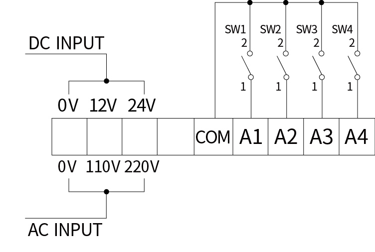
※ DC Polarity : Red (+) / Black (-)
Audible Option Specification Table
◎It can be changed to use DIP switch and input pin channel adjustment, depending on the user’s selection.
| DIP / SW adjustment | Input Pin | |||
|---|---|---|---|---|
| A1 | A2 | A3 | A4 | |
All OFF |
Ding Dong Dang | Piano Sonatas | The Magic Flute | Home Sweet Home |
NO.1 ON |
Ding Dong | Telephone bell | beep beep peep | Ding Dong Dang |
NO.2 ON |
The Magic Flute | Piano Sonatas | Fur Elise | Telephone bell |
NO.3 ON |
Piano Sonatas | Turkish March | Home Sweet Home | The Magic Flute |
NO.4 ON |
Fur Elise | Turkish March | Home Sweet Home | beep beep beep beep |
NO.1,2 ON |
beep ~ beep ~ beep | Ding Dong | beep-ee | beep beep beep beep |
NO.1,3 ON |
The Magic Flute | Fur Elise | Turkish March | Home Sweet Home |
NO.1,4 ON |
The Magic Flute | Home Sweet Home | Telephone bell | Ding Dong Dang |
NO.2,3 ON |
The Magic Flute | Turkish March | Piano Sonatas | beep beep beep beep |
NO.2,4 ON |
Home Sweet Home | The Magic Flute | Turkish March | Ding Dong |
NO.3,4 ON |
The Magic Flute | Home Sweet Home | Ding Dong | Telephone bell |
NO.1,2,3 ON |
Fur Elise | Home Sweet Home | The Magic Flute | Piano Sonatas |
NO.1,2,4 ON |
The Magic Flute | Turkish March | Home Sweet Home | beep ~ beep ~ beep |
NO.1,3,4 ON |
The Magic Flute | Piano Sonatas | Home Sweet Home | Ding Dong Dang |
NO.2,3,4 ON |
Turkish March | Piano Sonatas | Home Sweet Home | Fur Elise |
NO.1,2,3,4 ON |
Piano Sonatas | The Magic Flute | Fur Elise | Turkish March |
Technical Diagram

How to use TR and SSR

Wiring diagram
Terminal Type
Cable Type [Voice]
| Transistor | Contact-free Relay | |
|---|---|---|
| Type | NPN Transistor (2SC & 2SD) | Current output-type for DC load (open collector) |
| Withstand Voltage | Vc 〉 12V | |
| Current Capacity | IC 〉 10mA (10mA or more) | |
| Leakage Current | ICBD 〉 0.1mA (0.1mA or lower) | |
| Allowable Voltage | VAST 〈 1V (1V or lower) | |
Data Room
- All
- Catalog
- No. Data name Download
- Segibiz All Catalog (PDF) Download
- Ilooks All Catalog (PDF) Download
- Panel Mounted Speaker Catalog (PDF) Download
- No. Data name Download
- Segibiz All Catalog (PDF) Download
- Ilooks All Catalog (PDF) Download
- Panel Mounted Speaker Catalog (PDF) Download
